太阳成集团tyc33455cc
地址:巩义西村镇管道产业园
手机:155 1588 7365 (同微)
联系时可以说明是从< 太阳成tyc官网>看到我们的,感谢您的信任!
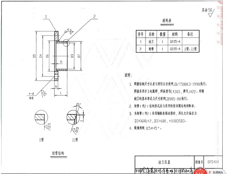
柔性防水套管的基本参数一般网站上都会有数据参考,比如外径内径穿管的外径等都比较清楚,但是对于法兰的要求标准,一般很少有这方面的数据,只有在02S404防水套管图集p13和p14这两页有具体的要求,一般客户哪里不一定有图集,下面我把图集上具体的参数对大家发给大家,以供大家在选购防水套管的时候进行参考。
地址:巩义市西村镇管道装备产业园
手机:李经理 155 1588 7365(同微)
豫公网安备 41910102000887号